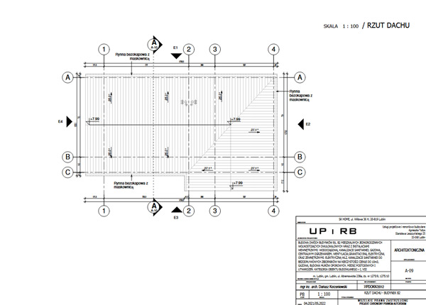
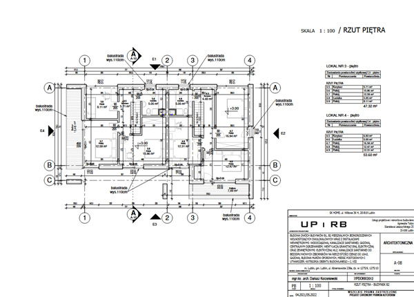
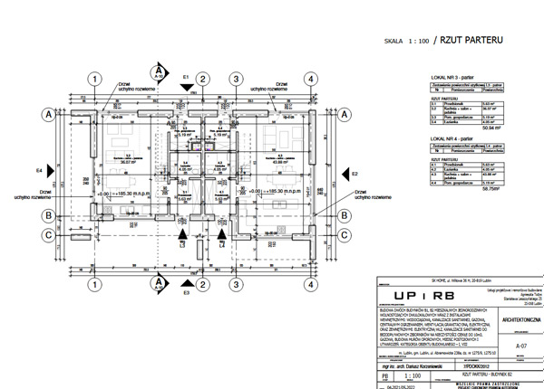
• Budynek 2